电加热导热油炉的工作原理及用途
电加热导热油炉
常州市亚洲必赢有限公司专注设计制造电加热导热油炉,燃气导热油炉,联系电话:13815029577
一、电加热导热油炉的工作原理及用途:
电加热导热油炉是采用电热方式,以导热油为载热体,利用循环油泵强制闭路液相循环将热能输送给用热设备后,再返回电加热导热油炉炉体内加热的一种直流式特种工业炉,可满足生产流程中设定的工艺温度以及高精度控温的要求,是一种新型环保的热能转换设备,可广泛用于电子、轻纺、化工、印刷、食品、包装等行业,是电力富余和环保要求较高的地区理想的供热设备。
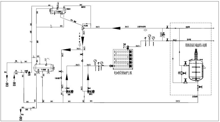
二、电加热导热油炉主要由电加热导热油炉炉体主机、供热系统,电器控制系统三大部份组成。
供热系统的辅机由膨胀槽、贮油槽、热油循环泵、注油泵、油过滤器、油气分离器等组成。
电器控制系统由电器控制柜及其检测、显示仪表等组成。
注:电加热导热油炉及系统的安装必须到当地质量技术监督部门办理相关手续,并只能让具有相应安装资格的施工单位进行。
三、电加热导热油炉主机介绍:
电加热导热油炉炉体主机为管架式方形结构,内部有电加热器元件,电加热器接线箱,电加热导热油炉炉体主机,型钢框架,保温材料,外包铁皮构成。


为保证电加热导热油炉炉体主机合格,电加热导热油炉的设计图纸经江苏省级质量技术监察局审查通过,满足该产品符合《有机热载体炉安全技术监察规程》及锅炉行业相关标准。
对电加热导热油炉炉体主机进行无损探伤检查(目测检查、射线检查、超声波检查、磁粉检查、液体渗透检查、)按《ALHZ-CS157.11》标准进行气密性试验,产品经常州市质量技术监察局锅检科监检通过,提供常州锅检所特检院颂发的验收合格证书。
四、电加热器元件及接线箱介绍:
电加热器工作原理:管道中的导热油在压力作用下进入电加热器进口,沿着电加热器内部特定的散热热力学原理设计的路径,带走电热元件表面散发出的大量热量,在电加热器出口得到满足工艺要求的液体温度。
电加热器结构说明:
电加热器为卧式结构,由加热区、散热区与接线腔室三部分组成。
加热区是电加热器的主体,其内部设有均匀布置的U型管状高密度集束式电热元件,出口测温、超温报警热电偶以及折流板等,进入电加热器的流体在加热区内被电热元件直接加热,散热区位于加热区与接线腔室之间,主要作用是隔绝加热区的热气体进入接线腔室内,以防止电热元件接线柱长期在高温条件下使用,性能发生改变。电热元件的电源接线及分组全部在接线腔室内完成,并确保接线腔室内温度≤70℃。
电热管汇集法兰采用20Ⅱ,通过与电热管衬套管焊接使电热管固定,并成为有机热载体炉受压体的一部分。
A、电热元件的制作,发热体相互间,管内连接导体相互间以及它们与金属管的间距大于2mm,管内连接导体与发热体之间采用压接或硬钎连接并按GB3836.3-2000表1和表3规定最小电气间隙和最小爬电距离,金属管末端的管口采用绝缘材料,并进行充分的绝缘处理和防潮处理,按相关要求进行型式试验。
B、电热管必须承受下列试验
(a)以1.1倍额定电压,额定频率通电1分钟、断电4分钟为一周期,重复试验2000次,承受1分钟下列交流电压的介电强度试验:2E+1000(2×电加热器的额定电压+1000V)最低1760V,按2000V进行高压测试。
(b)以1.1倍额定电压、额定电流通电5分钟,断电状态,全部浸入水中25分钟为一周期重复试验50周期后,在大气中放置40分钟,再承受1分钟,所示交流电压1800V的高压试验。
(c)在+40±5℃相对湿度为90±5%的温热箱中放置24小时后,立即擦去表面潮气,用500伏兆欧表测量带电部分与非带电部分之间的电阻值,须不小于10兆欧。
(d)在额定工作电压下,元件的额定功率允许偏差+5%。
(e)在冷态(室温)时,元件的绝缘电阻不得低于500MΩ。
(f)元件允许在电压大于额定值而不大于额定值的1.1倍条件下工作。
(g)元件的其它方面应符合《JB/T2379-93》,管状电加热元件技术条件的规定。
(h)电加热器内部电热元件要求100%做试验。
加热器的电热元件材料为0Cr18Ni9,法兰材料为20Ⅱ,1600kW的导热油加热器电热管外径为φ16,壁厚1.5mm;电热丝为上海合金厂或相当品牌生产的Ni20Cr80丝,绝缘材料为高温绝缘氧化镁粉,在800℃时也能保持很好的绝缘性能。
五、电加热导热油炉供热系统介绍:
电加热导热油炉供热系统由电加热导热油炉主机,热用户(用热设备)、膨胀槽、贮油槽、热油循环泵、注油泵、油过滤器、油气分离器等设备组成。
电加热导热油炉供热设备功能简介:
(1)电加热导热油炉炉体主机
电加热导热油炉炉体主机是整个系统的主体部分,导热油由此获得热能。炉体为管架式方形结构。
(2)热油循环泵
热油循环泵是导热油闭路强制循环的动力,要求每台电加热有机热载体炉配置两台泵,其中一台为备用。
(3)膨胀槽(高位槽)
膨胀槽用作导热油因温度变化而产生体积变化的补偿,从而稳定系统载热体的压头。同时还可以帮助系统脱水排汽,因此膨胀槽应设置在比系统其它设备或管道最高点高出1.5~2m标高处。正常工作时应保持高液位状态。
贮油槽(低位槽)
贮油槽主要用来贮存高位槽、炉内和系统排出的导热油。正常工作时应处于低液位状态,随时准备接受外来导热油。排气口(呼吸口)应接至安全区,且不得设置阀门。
(4)注油泵(齿轮泵):2CY齿轮注油泵,用来向系统补充或抽出导热油。泵体上箭头方向应是主轴旋转方向,也是介质的流动方向。
(5)滤油器(Y型过滤器):滤油器用来过滤并清除供热系统中的异物。
(6)油汽分离器:
油汽分离器用来分离并排除供热系统中的空气、水蒸汽及导热油的低挥发份,从而确保导热油在液相无气、水的状态下稳定运行。
六、电加热导热油炉电控系统简介
电加热导热油炉有完备的运行控制、保护及安全监测装置。
(1)设备及仪表操作
a. 电热元件
电热元件由开、停按钮操作,运行时指示灯亮,并设有“自动”和“手动”转换开关,当转换到自动位置时,可实现超油温及进出口压差异常时自动停炉。
b. 循环油泵
始终保持单机运行,由开、停按钮操作,运行时指示灯亮,进出口的循环压力由压力表监视。工作电流由电流表监视,泵机出现故障时由压差表报警并停止电热元件工作。
c. 注油泵
注油泵建议手动操作。
必须先开阀门,后开泵,防止吸空,毁坏齿轮泵。
d. 出口油温传感器
传递出口油温,预先根据工艺要求设定上、下温度值,超过上限时“自动”位的电热元件停止工作,低于下限值时,电热元件自动启动。
e. 回油温度传感器
传递释放热量后回到电加热有机热载体炉的油温。
(2)自动控制
a. 超温保护
当出口油温超过设定值时,通过信号停止电热元件工作,阻止油温继续上升,当油温降到一定数值后,电热元件又自动启动。
b. 压差稳定保护
锅炉正常运行时,其压差波动很小,当锅炉系统及循环泵出现故障后,其压差都要发生变化,因此当压差低于设定值时,通过压差计停止电热元件工作,保护锅炉及导热油。
(3)总电源
由空气开关进行总电源的启、闭操作,有红灯指示。
注:电加热导热油炉电控柜安装:电气控制柜位置确定后,按照电器接线图联接所有电动机和有关安全检测显示线路,在检查接线正确无误,并把柜内所有接点都用起子紧一遍,再接通总电源进线,柜壳要有良好的接地。
七、电加热导热油炉技术性能参数
型号 参数 | QXD24 | QXD36 | QXD48 | QXD72 | QXD120 | QXD150 | QXD180 | QXD240 | QXD300 | QXD360 | QXD480 | QXD600 | QXD720 | QXD960 | |
额定功率 kW | 24 | 36 | 48 | 72 | 120 | 150 | 180 | 240 | 300 | 360 | 480 | 600 | 720 | 960 | |
设计压力 MPa | 0.9 | 0.9 | 0.6 | 0.9 | 0.9 | 0.68 | 0.68 | 0.9 | 0.9 | 0.9 | 0.9 | 0.9 | 0.9 | 0.9 | |
介质最高温度 ℃ | 320 | 320 | 320 | 320 | 320 | 320 | 320 | 320 | 320 | 320 | 320 | 320 | 320 | 320 | |
炉内容油量 m3 | 0.02 | 0.02 | 0.03 | 0.05 | 0.08 | 0.12 | 0.12 | 0.1 | 0.2 | 0.2 | 0.25 | 0.31 | 0.4 | 0.4 | |
热效率 | >90% | >90% | >90% | >90% | >90% | >90% | >90% | >90% | >90% | >90% | >90% | >90% | >90% | >90% | |
热油泵额定流量 m3/h | 8 | 8 | 8 | 12.5 | 12.5 | 32 | 32 | 32 | 40 | 40 | 60 | 80 | 60 | 80 | |
配管连接口径 DN | 50 | 50 | 50 | 50 | 50 | 50 | 50 | 50 | 80 | 80 | 100 | 100 | 100 | 100 | |
总装机容量 kW | 28 | 39 | 53 | 83 | 150 | 200 | 200 | 257 | 323 | 400 | 505 | 630 | 760 | 998 | |
工作电压 V | 220 | 220 | 220 | 220 | 220 | 220 | 220 | 220 | 220 | 220 | 220 | 220 | 220 | 220 | |
外形尺寸 | 长 mm | 1800 | 1800 | 1900 | 1800 | 1900 | 2200 | 2200 | 2500 | 2600 | 2600 | 2800 | 3050 | 3300 | 3200 |
宽 mm | 1200 | 1100 | 1100 | 1300 | 1800 | 1800 | 1800 | 1800 | 1900 | 1800 | 2300 | 2300 | 2400 | 2400 | |
高 mm | 2000 | 1800 | 2250 | 2150 | 1600 | 1700 | 1600 | 1700 | 1700 | 2000 | 1800 | 1800 | 1700 | 2300 | |
设备总重 kg | 960 | 1000 | 1000 | 1110 | 1300 | 1470 | 1500 | 1860 | 2360 | 2580 | 2650 | 2930 | 2400 | 2700 | |
八、致用户
作电加热导热油炉生产厂完全能胜任该设备及系统的各种技术咨询和服务,是保证您大胆采用本产品的一项重要措施。只要您需要,可向我公司联系,联系电话:13815029577,我厂专业人员以丰富的经验和迅速、正确、诚恳的服务宗旨,随时为您进行工作。
中国常州市亚洲必赢有限公司联系方式
Contact information of Changzhou Shangneng Boiler Co., Ltd., China


联系人:芮亚平
Contact person: Rui Yaping
手机:+8613815029577
Mobile:+8613815029577
邮箱:czjnguolu@163.com
Email: czjnguolu@163.com
微信号:13815029577
WeChat ID: 13815029577
工厂地址:中国常州高新区黄河西路225号
Factory address: No. 225 Huanghe West Road, Changzhou High tech Zone, China
- 上一个:电加热导热油炉功能特点
- 下一个:没有了!
