欢迎访问常州市亚洲必赢有限公司官网!

服务热线

13815029577

专注锅炉40年,常州市亚洲必赢有限公司,为用户创造价值

当前的位置:首页>>新闻中心>>行业动态

联系方式

CONTACT INFO

13815029577

邮箱:czjnguolu@163.com

地址:常州市新北区环保产业园环保八路1号

垃圾焚烧厂烟气-熔盐换热发电利用

发布时间:2023-03-28    点击次数:1362

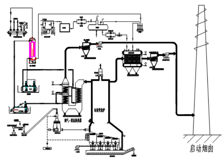
垃圾焚烧是目前垃圾处理的主要方法,焚烧过程中产生的烟气热量可以用到发电中,实现对能源的循环利用,减少排放和满足环保要求。垃圾焚烧烟气-熔烟换热发电利用流程;

熔盐换热发电.jpg

采用往复炉排炉垃圾焚烧技术,垃圾抓多将仓内垃圾提升到料斗,通过给料槽连续不断加料到炉排入口。在推料器的作用下,垃圾进入炉排干燥区,通过炉排的动作,垃圾在炉排上往复前移到燃烧区,最后到达燃尽区,确保垃圾在850℃-1100℃高温下得到充分燃烧。焚烧炉焚烧垃圾产生850℃-1100℃高温烟气,利用烟气余热蒸汽锅炉产生180℃饱和蒸汽+高温烟气-熔盐换热器产生300℃-500℃的过热蒸汽,推动汽轮机做功,带动末端发电机发电。

熔盐换热发电示意图.jpg

常州市亚洲必赢有限公司是:往复炉排炉垃圾焚烧炉,烟气余热蒸汽锅炉,烟气-熔盐换热器,高低温熔盐储罐的生产供货商。

联系入:芮亚平,联系电话:13815029577

公司网址:www.czsngl.com  www.czrsgl.com

常州市亚洲必赢有限公司

常州市亚洲必赢有限公司始终坚持“质量第一,用户至上,优质服务,信守合同”的宗旨,吸收国外先进技术和不断自主创新,致力于热载体炉行业,以追求“不断进步的技术,不断更新的产品为基础,精心研发,设计制造热载体工业自动化加热炉,为用户提供安全可靠,使用操作方便,高效节能和符合环保要求的工业自动化加热炉。

联系我们

联系人:芮亚平

手机:13815029577

邮箱:czjnguolu@163.com

邮箱:13815029577@163.com

网站:www.czrsgl.com

公司地址:常州市新北区环保产业园环保八路1号

返回顶部