关键词:燃气熔盐炉 | 燃气熔盐加热炉 | 熔盐炉 | 熔盐加热炉
产品描述:低烧式燃气熔盐炉介绍燃气熔盐炉是以熔盐为热载体,利用熔盐泵强制液相循环,将热能输送给用热设备后,继而返回重新加热的直流式特种工业炉。燃气熔盐炉的技术特性:①燃气···
订购热线:13815029577
联系方式
CONTACT INFO
熔盐炉-燃气熔盐炉
常州市亚洲必赢有限公司专业制造以(熔盐)为导热介质的熔盐炉,其规格型号为(60-2000万大卡)供热温度高达550℃。咨询电话:0519-82052399

熔盐炉能提供使用温度180℃~550℃的工艺温度,供三聚氰胺、苯酐、顺酐、丙烯酸、氧化铝、尿素、邻苯基酚酐、乙氰、固碱、裂化油、制冷剂等化工行业中需要的高温加热生产工艺。

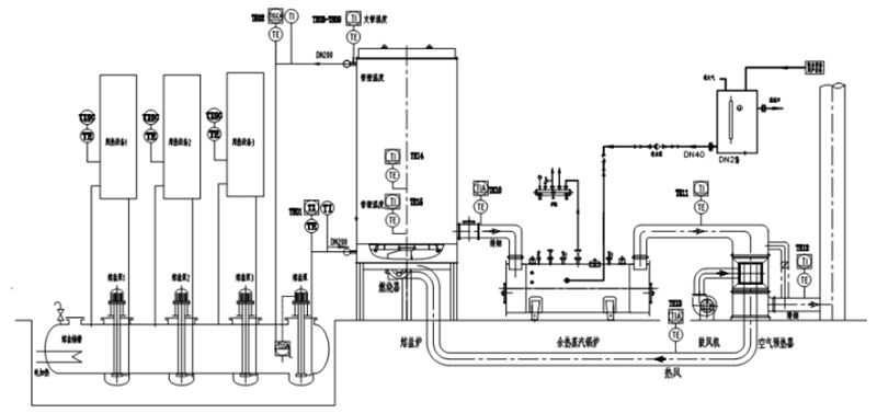
熔盐炉以天然气为燃料,以导热介质(熔盐)为热载体,《导热介质(熔盐)在熔盐槽内预先通过电加热器加热到熔点为142℃以上,使导热介质(熔盐)变为液体》,利用高温熔盐泵产生的动力强制液相循环,将导热介质(熔盐)输送到熔盐炉的盘管中加热,加热到所需用热温度后再输送给用热装置,将热量传给用热设备,放热降温后自流回熔盐槽,再经过熔盐循环泵周而复始的强制液相循环,将导热介质(熔盐)输送到熔盐炉盘管中重新再加热的直流式工业加热炉

熔盐炉的导热介质熔盐比重大,导热介质熔盐经过用热设备放热降温后自流回到熔盐槽,所以熔盐炉的设计都为立式的。熔盐炉的燃烧器可以是顶烧式,也可以是低烧式。总之根据用户要求确定。

熔盐炉由熔盐供热系统, 燃烧系统,电气控制系统三部分组成:
熔盐炉的供热系统由熔盐炉本体、熔盐泵、熔盐槽及有关输送管线、阀门组成。
熔盐炉的本体是整个供热系统的关键设备,导热介质(熔盐)在此不断获得热能,由它提供装置所需的高温热源,供用热设备用热。
熔盐炉的炉本体是熔盐加热系统中的核心部件,供热温度高达600度,所用的材质是由专用的耐热钢板和耐热钢管制成。

熔盐炉的燃烧系统,一般选配国外进口燃烧器,国外进口燃烧器技术成熟,性能可靠。

熔盐炉的电气控制系统:分动力控制和仪表显示控制两部分:
熔盐炉的动力控制:主要控制熔盐循环泵、风机、燃烧器等设备的起动与停止,同时熔盐循环泵与燃烧器之间进行联锁控制以保证加热炉的安全运行。
熔盐炉的仪表显示控制采用检测装置(如热电偶测温元件),检测熔盐炉的进出口导热介质(熔盐)温度及显示;检测熔盐炉本体排烟温度及显示,节能器的排烟温度及显示,最终排烟温度的显示。
熔盐炉采用出口导热介质(熔盐)温度信号控制燃烧器的燃烧,使其达到自动控制功能,自动调节燃气燃烧器的燃烧及起动与停炉。

熔盐炉能提供550度的工艺温度供用热设备供热,为此熔盐炉的烟气出口处排烟温度很高,将近600度的温度排放,所以在熔盐炉的烟气出口处加装余热回收利用装置。
常州市亚洲必赢有限公司专业制造以(熔盐)为导热介质的熔盐炉,其规格型号为(60-2000万大卡)供热温度高达550℃。咨询电话:0519-82052399
请联系常州市亚洲必赢有限公司
热能专业人士芮先生,电话:0519-82052399






