




关键词:热风炉 | 燃气热风炉
产品描述:废气余热有机热载体锅炉是利用工业生产过程中的废热排气作为热源,(主要由冶金、碳素、化工及内燃机、燃气轮机的废热排气),以导热油为热载体,由热油泵强制循环,将热能···
订购热线:13815029577
产品分类
PRODUCT CATEGORY
联系方式
CONTACT INFO
废气余热有机热载体锅炉是利用工业生产过程中的废热排气作为热源,(主要由冶金、碳素、化工及内燃机、燃气轮机的废热排气),以导热油为热载体,由热油泵强制循环,将热能输送给用热设备,继而又返回重新加热的高效节能供热设备。
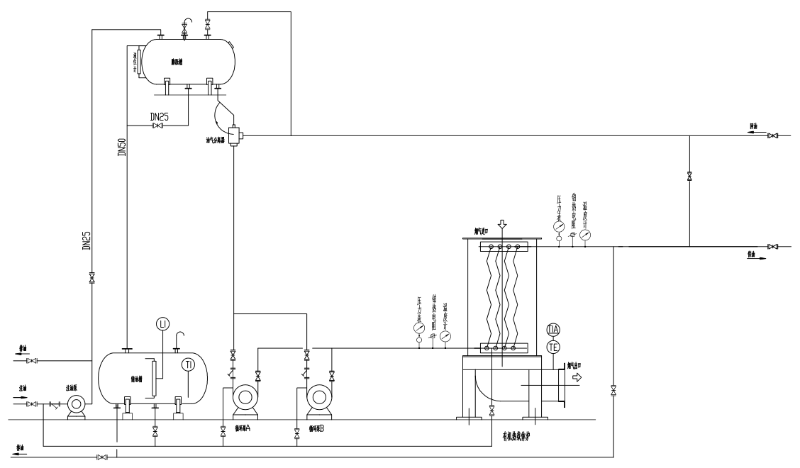
具体见《余热热有机载体锅炉供热流程图》

系统包括余热有机热载体锅炉,配套导热油供热循环系统,电气控制系统。
导热油供热循环系统:由余热有机热载体锅炉主机、高温循环油泵、热用户(用热设备)、油气分离器及相关阀门管线构成,如储油槽、膨胀槽、注油泵等也都是不可缺少的辅助管路及设备。
电控柜控制系统:电控柜控制系统由电器控制柜及其检测、显示仪表等组成,分动力控制和仪表显示控制两部分。
致用户:
作为的导热油锅炉生产厂完全能胜任该设备及系统的各种技术咨询和服务,是保证您大胆采用本产品的一项重要措施,只要您需要,可向我公司联系,联系电话:13815029577,我厂专业人员以丰富的经验和迅速、正确、诚恳的服务宗旨,随时为您进行工作。
常州市亚洲必赢有限公司联系方式
联系人:芮亚平
手机:+8613815029577
邮箱:czjnguolu@163.com
Email: czjnguolu@163.com
微信号:13815029577
工厂地址:中国常州高新区黄河西路225号
