欢迎访问常州市亚洲必赢有限公司官网!

服务热线

13815029577

专注锅炉40年,常州市亚洲必赢有限公司,为用户创造价值

燃气导热油炉排放标准
所属分类:燃气导热油炉
关键词:燃气导热油炉 | 燃气导热锅炉 |导热油炉 | 导热油锅炉
产品描述:燃气导热油炉排放标准燃气导热油炉是以天燃气为燃料,燃烧器提供热量,导热油为热载体,通过循环泵强制液相循环将热能输送给一个或多个用热设备,换热后返回到燃气导热油锅···
订购热线:13815029577

联系方式

CONTACT INFO

13815029577

邮箱:czjnguolu@163.com

地址:常州市新北区环保产业园环保八路1号

产品详情
product details

燃气导热油炉排放标准

燃气导热油炉是以天燃气为燃料,燃烧器提供热量,导热油为热载体,通过循环泵强制液相循环将热能输送给一个或多个用热设备,换热后返回到燃气导热油锅炉,燃气导热油炉,燃气导热油加热炉重新加热的直流式特种工业炉。

image.png

由于燃气导热油锅炉,燃气导热油炉,燃气导热油加热炉,具有较低压力下获得较高工作温度、工作温度稳定、具有完善的运行控制和安全监测装置的特点,被广泛应用于生产工艺中需要温度的各个工业领域。

image.png

但随着国家环保排放标准的提高,对不同的地区燃气导热油炉的使用排放,有着不同的环保排放标准,特别是对氮氧化物排放要求更严格。

北京,郑州,西安,宝鸡,咸阳,渭南,铜川,成都,山西等地区氮氧化物排放小于30毫克/每立方米。

上海,杭州,长三角地区氮氧化物排放小于50毫克/每立方米。

其他地区执行的氮氧化物排放标准有80毫克/每立方米。150毫克/每立方米。

为此,争对不同地区的氮氧化物排放标准应选择不同的超低氮排放燃气燃烧器。

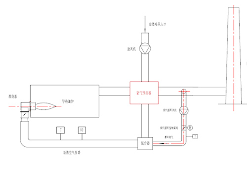
燃气导热油炉,选用分体式超低氮燃气燃烧器,带FGR烟气外循环技术降低氮氧化物排放,是节能又环保的方案。

3.jpg

就是燃气导热油炉,使用自身所带的燃烧器风机,将从烟囱收集的烟气与燃烧空气混合。烟气流量通过电动蝶阀调节,该阀由燃烧器程控器控制。将部分烟气回收进入燃烧器再次利用,进入炉膛的热风可提高效率,更节能。

导热油炉配低氮分体式燃烧器实样:供用户了解

4.jpg

客户如需要采购燃气导热油炉,可咨询常州市亚洲必赢有限公司芮总,联系电话:13815029577并关注公司网站:www.czrsgl.com

常州市亚洲必赢有限公司

常州市亚洲必赢有限公司始终坚持“质量第一,用户至上,优质服务,信守合同”的宗旨,吸收国外先进技术和不断自主创新,致力于热载体炉行业,以追求“不断进步的技术,不断更新的产品为基础,精心研发,设计制造热载体工业自动化加热炉,为用户提供安全可靠,使用操作方便,高效节能和符合环保要求的工业自动化加热炉。

联系我们

联系人:芮亚平

手机:13815029577

邮箱:czjnguolu@163.com

邮箱:13815029577@163.com

网站:www.czrsgl.com

公司地址:常州市新北区环保产业园环保八路1号

返回顶部