关键词:燃气熔盐炉 | 燃气熔盐加热炉 | 熔盐炉 | 熔盐加热炉
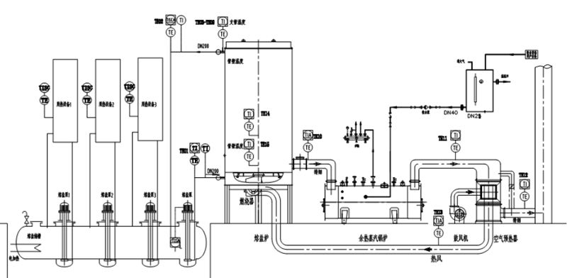
产品描述:燃气燃盐炉熔盐加热系统由熔盐供热系统,燃烧系统,电气控制系统,余热利用装置,四部分组成:1燃气熔盐炉的熔盐供热系统:由燃气熔盐炉本体、熔盐泵、熔盐槽及有关输送管···
订购热线:13815029577
联系方式
CONTACT INFO
燃气燃盐炉熔盐加热系统
由熔盐供热系统, 燃烧系统,电气控制系统,余热利用装置,四部分组成:

1 燃气熔盐炉的熔盐供热系统:
由燃气熔盐炉本体、熔盐泵、熔盐槽及有关输送管线、阀门组成。
燃气熔盐炉的本体是整个供热系统的关键设备,导热介质(熔盐)在此不断获得热能,由它提供装置所需的高温热源,供用热设备用热。
燃气熔盐炉的炉本体是熔盐加热系统中的核心部件,所用的材质是由专用的耐热钢板和耐热钢管制成。耐热钢板采用12Cr1MoVR,耐热盘管采用高压12Cr1MoVG锅炉钢管
2 燃气熔盐炉的燃烧系统:

燃气熔盐炉的燃烧系统的燃烧器:一般选配国外进口品牌,技术成熟,性能可靠。
燃气熔盐加热炉的燃烧器是由几大模块结构组合而成,主要有①燃烧器② 鼓风机③控制器
燃气熔盐炉的燃烧系统配置超低氮型燃气燃烧器,满足当地的环保排放要求。
3 燃气熔盐炉的控制系统:

燃气熔盐炉的控制系统:分动力控制和仪表显示控制两部分:
动力控制主要控制熔盐循环泵、风机、燃烧器等设备的起动与停止,同时熔盐循环泵与燃烧器之间进行联锁控制以保证加热炉的安全运行。
燃气熔盐炉的仪表显示控制采用检测装置(如热电偶测温元件),检测燃气熔盐炉的进出口导热介质(熔盐)温度及显示。
检测燃气熔盐炉本体排烟温度及显示,节能器的排烟温度及显示,最终排烟温度的显示。
燃气熔盐炉采用出口导热介质(熔盐)温度信号控制燃烧器的燃烧,使其达到自动控制功能,自动调节燃气燃烧器的燃烧及起动与停炉。
4 燃气熔盐炉的余热回收利用装置:
燃气熔盐炉的烟气出口处设置节能器和空气预热器,作为余热回收装置,节能器所产生的热源供生活与生产系统用 ,空气预热器产生的热空气,供燃烧器助燃天燃气用,提高炉膛温度,提高燃气熔盐炉综合热效率。
客户如有需求,请联系热能专业人士芮先生,联系电话:0519-82052399,并关注常州市亚洲必赢有限公司网站产品,网址:www.czrsgl.com,www.czrfl.cn,www.rsdryl.com邮箱czjnguolu@163.com






